○田布施町徴税吏員等に関する規則
平成20年4月1日
規則第6号
(趣旨)
第1条 この規則は、町職員のうち、徴税吏員及び徴税吏員の職務に加え徴収職員の職務を行う職員を定め、当該職員に関係する証明書を交付することに関し必要な事項を定めるものとする。
(徴税吏員)
第2条 税務課長及び税務課に勤務を命ぜられた職員で収納対策室以外の職員は、徴税吏員とし、その職務は、次に掲げるものとする。
(1) 町税の賦課徴収に関する調査のための質問又は検査
(2) 町税の徴収及び滞納処分
(3) 納付又は納入のための有価証券の受託
(4) 徴収金に係る財産差押え
(徴税吏員証)
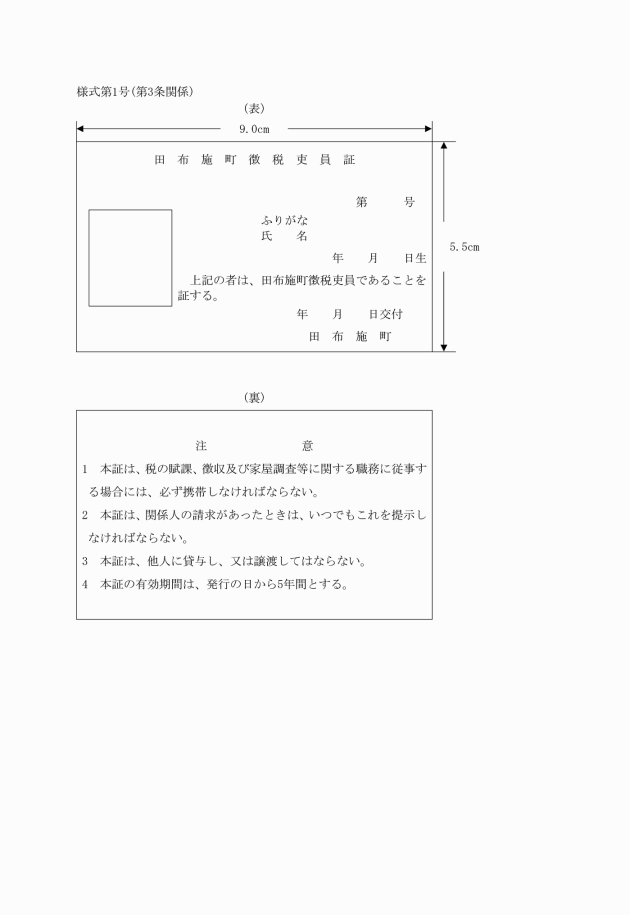
第3条 町長は、徴税吏員に、その身分を証するため、徴税吏員証(様式第1号)を交付する。
2 徴税吏員は、税の賦課徴収に関する調査のため質問若しくは検査をする場合、徴収金の滞納処分に関する調査のため質問、検査若しくは捜索をする場合又は税に関する犯則事件のため質問、検査、領置、臨検、捜索若しくは差押えをする場合においては、徴税吏員証を携帯し、関係人の請求があったときは、これを提示しなければならない。
3 徴税吏員がその身分を失ったときは、直ちに徴税吏員証を返納しなくてはならない。
(徴税吏員・徴収職員)
第4条 税務課収納対策室長、収納対策室に勤務及び収納対策室の事務従事を命ぜられた職員並びに健康保険課長及び健康保険課に勤務を命ぜられた職員のうち町長が指定する者は、徴税吏員の職務に加え、次の各号に掲げるもののうち、町長から委任された職務を行うものとする。
(1) 介護保険料の徴収及び滞納処分
(2) 後期高齢者医療保険料の徴収及び滞納処分
(3) 住宅使用料の徴収
(4) 下水道事業受益者負担金及び使用料の徴収及び滞納処分
(5) 保育料の徴収及び滞納処分
(6) 前各号に掲げるもののほか、法令の規定により徴税吏員又は徴収職員の職務とされている事務
2 前条に定める職員が委任された職務を行う場合においては、「徴税吏員証・徴収職員証」を携帯し、関係人の請求があったときは、これを提示しなければならない。
3 前条に定める職員がその身分を失ったときは、直ちに「徴税吏員証・徴収職員証」を返納しなくてはならない。
(その他)
第6条 この規則に定めるもののほか、必要な事項は町長が別に定める。
附則
(施行期日)
1 この規則は、平成20年4月1日から施行する。
(田布施町徴税吏員に関する規則の廃止)
2 田布施町徴税吏員に関する規則(平成17年田布施町規則第14号。以下「旧規則」という。)は、廃止する。

